The Farmers Freehouse, Lewes Road, Scaynes Hill, Haywards Heath, RH17 7NE
Size
Ask agent
Tenure
Leasehold
EPC
Parking
Ask agent
- Primary use
- Pub
Key features
- Prominent public house
- Set on a site of c. 2 acres
- 135 internal covers
- Large gardens - 200+ covers
- Generous customer car parking
- Energy Rating C
- Annual rent: £77,000
- Christie & Co Ref: 8856096
Description
An older style detached property with predominantly white colour-washed elevations and part tile hanging, under a tiled roof, set on a generous sized plot which can allow for further development, subject to planning and landlord's consent.
LocationThis imposing public house is located in a village near the town of Haywards Heath where there is a main line railway station with services to London in around 45-55 minutes.There is good road access to surrounding areas and to the M23, thereon on to the M25 north to London and south to Brighton.The business enjoys a wide catchment area.
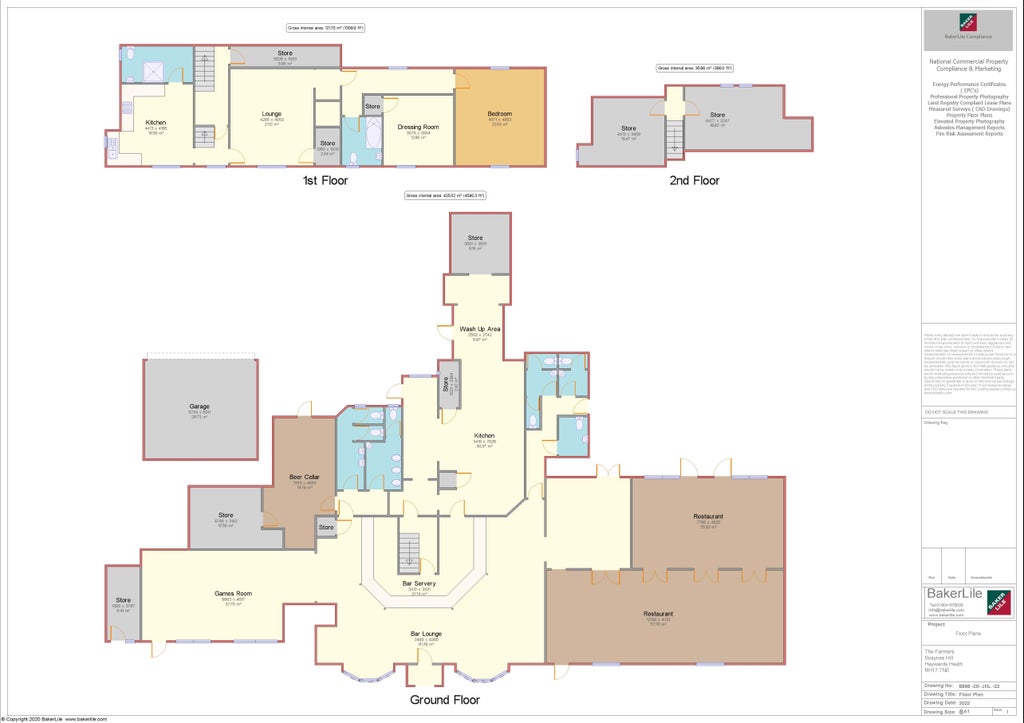
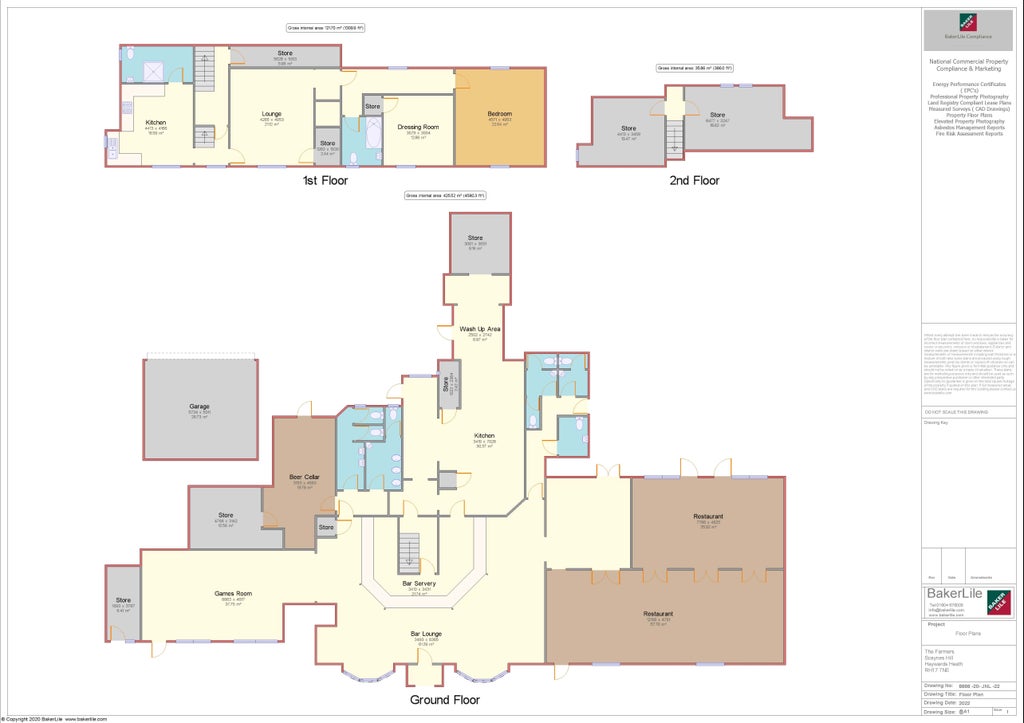
Ground FloorThe business is mainly set up as a food-led operation, having a good size bar (16 covers), lounge (12 covers), restaurant (52 covers), games room (20 covers), function room (35 covers), store rooms and a beer cellar.Customer WC's, separate disabled WC, fully fitted trade kitchen with a good range of stainless steel equipment, wash up area and two store rooms.
Other FloorsThere are two store rooms on the second floor.
Fixtures & FittingsThe trade fixtures and fittings are available under separate negotiation
External DetailsThe property is set on a plot of c. two acres, with a generous tarmac car park (41 spaces) and parking overflow on grass (35 spaces). There is also a garage.
The trade gardens are extensive with seating for c. 200. These gardens are highlighted by a large decking area and seating under a large mature tree.
There is even more space in the grounds that have yet to be utilised and this could offer even more trade garden or extended car parking facilities.
Situated on the first floor, the owner's accommodation consists of a large bedroom, dressing room, lounge, kitchen and shower room.
Currently used as staff accommodation, this area could be suitable for conversion to letting rooms if required.
The business has been owned by the current family for eight years, during which time they have improved the business significantly, making it a popular destination venue, attracting customers both locally and from far and wide.
There is still ample scope to take the business to another level, especially by having the benefit of being a free of tie lease.
The business is run by one of the family members, along with a team of full time, part time and casual staff.
Trading InformationFull trading information will be provided following a formal viewing.
Development PotentialWith the property sat on such a large plot, there is plenty of room to extend it further, subject to any planning and landlord's consents being obtained.
TenureThe property is held on a free of tie lease for a period of 20 years from 29 September 2017, with 12 years remaining.
Business RatesThe rateable value for the property from 1 April 2023 is £24,500. This is not what you will pay in business rates, but the Local Authority uses the rateable value to calculate what business rates are payable.
RegulatoryPremises Licence.
- Service charge
- Ask agent
- Business rates
- Ask agent
- Use class
- Ask agent
- Listed building
- No
- Business for sale
- Yes
- Tenure
- Leasehold
- Length of lease
- Ask agent
An Energy Performance certificate helps you understand the current energy efficiency of a property.
Read more about EPC requirementsAsk agent
- BREEAM rating
- Ask agent
- Environmental description
- Ask agent
Brochure
The Farmers Freehouse, Lewes Road, Scaynes Hill, Haywards Heath, RH17 7NE
We’re the leading specialist advisor for buying and selling businesses in our sectors - hotels, pubs, restaurants, childcare, healthcare, convenience retail, leisure and medical.
If you’re looking to buy or sell a business in our specialist sectors – from a pharmacy in Sussex to a hotel in Austria – our expert advice and collaborative support will help you achieve your goals. You may be an independent first-time buyer or a multinational adding to your portfolio; either way, you’ll discover that our personalised service is focused on helping you achieve your ambitions.
Clients have access to our carefully managed network of potential buyers. This unique database of contacts has been continually developed by our advanced IT capabilities and benefits from both our years of experience developing our network and our wide geographical coverage.
Where we work
We employ the largest team of sector specialists in the UK and the largest group of hotel specialists in Europe, providing professional brokerage and advisory services from offices in major cities across Britain and Europe. And because we’ve been doing this for over 80 years, we know our sectors and local markets inside out. We work closely with our clients to guide and conclude transactions of any size, covering hotels, restaurants and pubs, leisure, forecourts and convenience retail businesses, social care and elderly care, childcare & education facilities, dental practices and pharmacies.
Our professional services
We offer unrivalled insight, experience and expertise across your choice of services, including brokerage, consultancy, finance, development, investment, surveying, rent reviews, dispute resolution, corporate valuation, and turnaround & recovery. These services are all underpinned by our in-depth market intelligence and leading-edge technology. And we’re accredited by the Royal Institution of Chartered Surveyors (RICS), so you can trust in our professionalism.
What makes us tick
Businesses are about people, so relationships matter to us. We bring an integrity and transparency to business which can be all too rare – and that’s why people trust us. Our clients will attest to our genuine desire to help achieve their objectives, our attention to detail, and our tireless hard work on their behalf. We understand that buying a business can bring its own pressures and strains; needs can change, plans may need to be adjusted, and opportunities can come and go. But we’re always here, a constant, flexible and reliable force you can count on.
Our opening hours for all offices:
Mon – Fri, 9am – 5.30pm
Your search history
You have no recent searches
Disclaimer - Property reference 8856096-lh. The information displayed about this property comprises a property advertisement. Rightmove.co.uk makes no warranty as to the accuracy or completeness of the advertisement or any linked or associated information, and Rightmove has no control over the content. This property advertisement does not constitute property particulars. The information is provided and maintained by Christie Owen & Davies Ltd, Pubs & Restaurants. Please contact the selling agent or developer directly to obtain any information which may be available under the terms of The Energy Performance of Buildings (Certificates and Inspections) (England and Wales) Regulations 2007 or the Home Report if in relation to a residential property in Scotland.





















